产品描述
MST53XXB系列是一款输入电压可达36V,静态电流1.9uA,最大输出电流300mA的高压低功耗低压差线性稳压器。
MST53XXB具有对输入电压瞬态和负载电流瞬态的快速响应,并确保MST53XXB启动和短路恢复期间无过冲电压。
MST53XXB系列集成短路保护,限流保护和过温保护功能。
MST53XXB系列包含四个固定输出电压,分别为:1.8V,3.0V,3.3V和5.0V。
优势特点
■ 低静态电流:1.9uA
■ 宽输入电压范围:3V ~ 36V
■ 高输出电流:300mA
■ 低压差电压:300mV@100mA
■ 固定输出电压:1.8V,3.0V,3.3V,和5.0V
■ 输出电压精度:±2%
■ 集成限流保护功能
■ 集成短路保护功能
■ 集成过温保护功能
■ 可用封装:SOT23-3,SOT89-3,SOT23-5
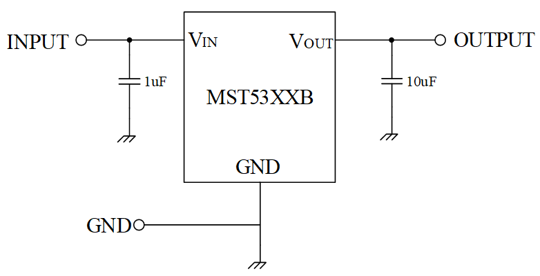
应用电路
